CQ9·电子官方网站

CQ9(电子中国)官方网站
无线专网

您目今所在位置:产品及解决计划 - 网络装备 - 产品分类 - 无线专网

B22Z62507-SEM01 碳足迹核算报告--交流电源分派列柜

执行标准

GB/T24040 GB/T24044

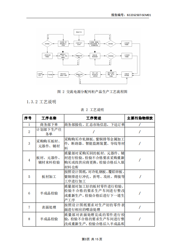
产品形貌


1-3


应用说明
【网站地图】【sitemap】